简介:工业机器人的保养 一、日常保养 1、检查设备的外表有没有灰尘附着 2、外部电缆磨损,压损,各接头是否固定良好,有无松动 3、冷却风扇是否正常工作 4、各操作按钮支动作是否正常 5、机器人动作是否正常 二、三个月保养(包括日常保养) 1、各接线端子是否固……
一、日常保养
1、检查设备的外表有没有灰尘附着
2、外部电缆磨损,压损,各接头是否固定良好,有无松动
3、冷却风扇是否正常工作
4、各操作按钮支动作是否正常
5、机器人动作是否正常

二、三个月保养(包括日常保养)
1、各接线端子是否固定良好
2、机器人本体的底座是否固定良好
3、内部有灰尘的清扫
三、一年保养(包括日常\三个月保养)
1、检查控制箱内部各基板接头有无松动
2、内部各线有无异常情况(如断,有无灰尘,各接点情况
3、检查本体内配线是否断线
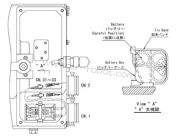
4、机器人的电池电压是否正常(正常为
5、各轴机器人马达的刹车是否正常
6、5轴的皮带轻紧度是否正常
7、4\5\6轴减速机加油机器人专用油
8、各设备的电压是否正常
四、三年保养(包括日常\三个月\一年保养
1、1\2\3轴减速机更换油(机器人专用油
2、机器人本体电池更换(机器人专用电池) 日常保养三个月担当保养﹑点检作业事项由使用者点检。 年度保养﹑点检作业事项需由代理商或专业人员点检﹑调整﹑保养、或是更换。 以下是电池位置图:
文章来源,
工业机器人维修官网:www.zr-abb.com